1. Mon Ciné Privé
  2. Matériel home cinéma
  3. BOUYER AZ1329 : carte électronique Gestion de priorités Priorité, premier appelant, Sorties report contacts
Retour

BOUYER AZ1329 : carte électronique Gestion de priorités Priorité, premier appelant, Sorties report contacts

Carte électronique avec Gestion de priorités Priorité, premier appelant, Sorties report contacts

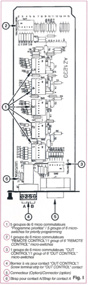
L’AZ-1239 est un module de fonction pour les préamplificateurs de la série Excellence ( PR-1106 / PR1406 / PA-1180) .

Il permet de gérer les priorités des 5 premières entrées les unes par rapport aux autres ou en mode premier appelant. La sixième entrée reste toujours la moins prioritaire.. Il offre en outre la possibilité de reporté par contact la prise de ligne d’une ou plusieurs des entrées audio.

Caractéristiques : Télécommande active : < 1 kΩ ou 0 V
Résistance de bouclage Télécommande inactive : > 4,7 kΩ ou 18 V
Résistance de bouclage Contacts reports : I max = 1,25A V max = 125 V
Consommation : 45 mA
Dimensions : 35 x 205 x 74 mm
Poids : 120g

Applications  : Sonorisation de confort
Boutiques
Campings
Etablissements scolaires
Lieux de cultes
Piscines
Salles multisports
Superettes
Voies urbaines

Nous écrire
Les champs indiqués par un astérisque (*) sont obligatoires
/
Prendre contact
Une question ? Un devis ?
Inscrivez-vous à la newsletter